Характеристики
Надежное решение для промышленных условий — Фитинг DN 32 DKO-S (Г) 52x2 38 (90)
Фитинг DN 32 DKO-S (Г) 52x2 38 (90) предназначен для работы в сложных промышленных системах, где важны надежность и долговечность. Благодаря устойчивым материалам и продуманной конструкции, этот фитинг обеспечивает стабильную и безопасную работу при высоких нагрузках, эффективно снижая риск простоев и поддерживая бесперебойную работу оборудования.
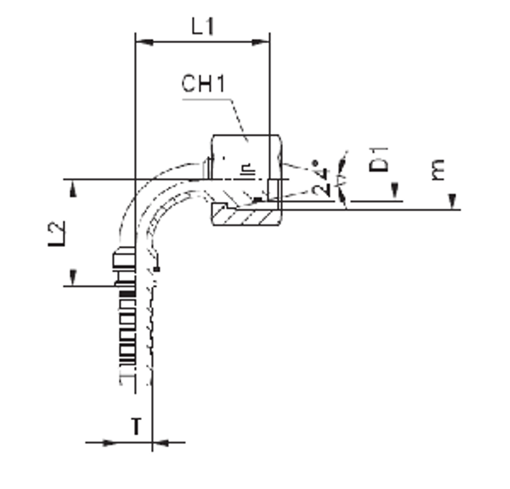
Основные характеристики
| Характеристика | Значение |
|---|---|
| Артикул | 801133 |
| Бренд | CAST |
| D1 | 38S |
| DASH | -20 |
| DN | 31 |
| ID (дюйм) | 1.1/4 |
| L1 | 82,5 |
| L2 | 75,5 |
| WP (бар) | 210 |
| Материал | Нержавеющая сталь |
| М | 52x2 |
Преимущества и области применения
Этот фитинг DN 32 DKO-S предназначен для использования в условиях высоких нагрузок, подходящих для различных отраслей, таких как нефтегазовая и химическая промышленность, гидравлические системы и системы водоснабжения. Прочный корпус из нержавеющей стали не только повышает долговечность устройства, но и снижает риск коррозии, тем самым удлиняя срок службы оборудования и минимизируя частоту обслуживания.
Фитинг обеспечивает герметичное соединение, что особенно важно для систем с высоким рабочим давлением, помогая сократить эксплуатационные расходы и повысить безопасность оборудования. Универсальность конструкции позволяет адаптировать его использование под различные задачи, что делает его отличной инвестицией для предприятий, стремящихся к оптимизации производственных процессов.
Надежность и доверие клиента
Надежность и устойчивость фитинга DN 32 DKO-S подтверждается его способностью работать в экстремальных условиях без потери своих свойств. Заказывая этот товар в интернет-магазине РусГидроПром, вы получаете продукт, который гарантирует стабильную работу системы, эффективно снижая риски сбоев и минимизируя эксплуатационные затраты.
Закажите фитинг DN 32 DKO-S сегодня и убедитесь в его качестве и надежности, обеспечивающих бесперебойную работу вашего оборудования.
