Характеристики
Надежное решение для промышленных систем — Штуцер FB DL18 BSP 3/4" (корпус)
Штуцер FB DL18 BSP 3/4" (корпус) — это высококачественный компонент, разработанный для использования в сложных промышленных условиях. Данный прямой фитинг BSP обеспечивает надежное соединение в гидравлических системах, гарантируя долговечность и устойчивость к высоким нагрузкам.
Основные характеристики
| Характеристика | Значение |
|---|---|
| Артикул | 100334.1 |
| Бренд | CAST |
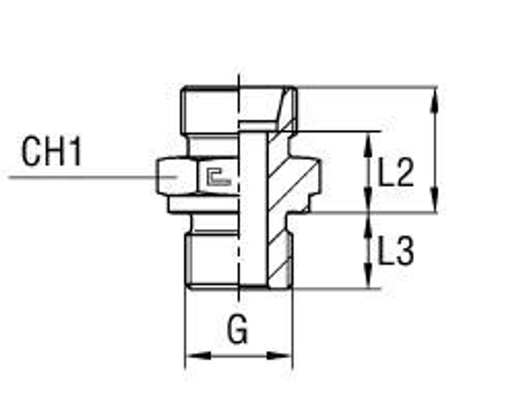
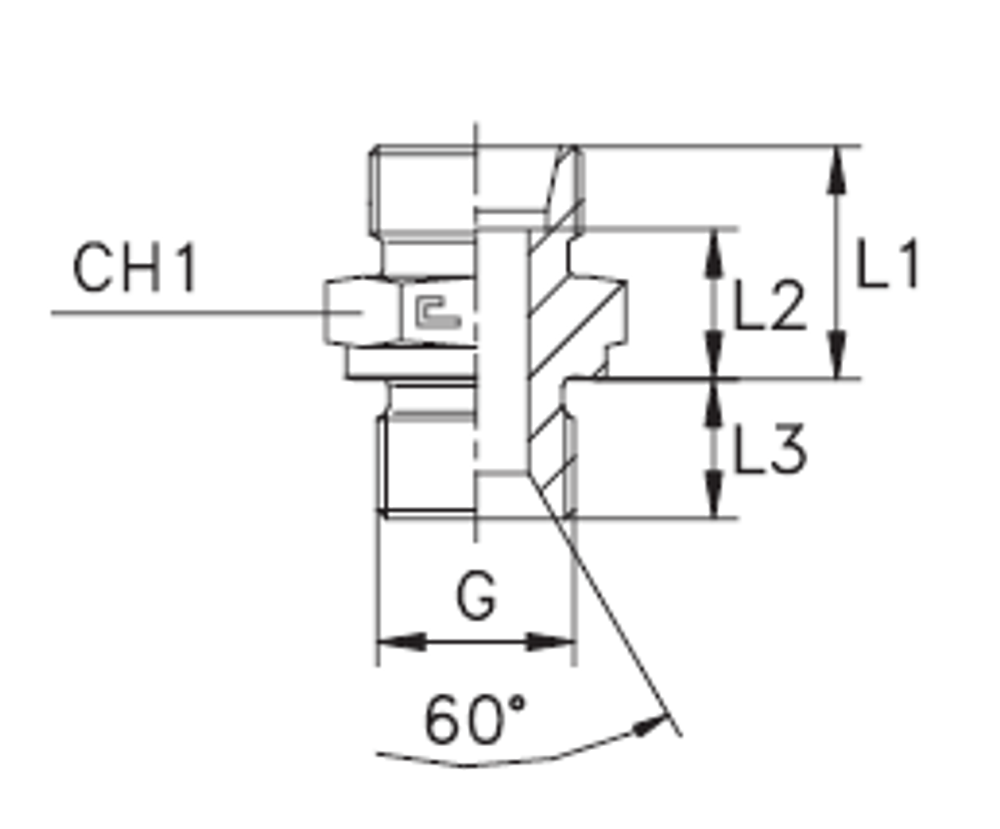
| CH1 | 32 |
| CH2 | 32 |
| Длина L1 (мм) | 22 |
| Длина L2 (мм) | 14,5 |
| L3 | 16 |
| L4 | 31 |
| Диаметр трубы D1 | 18 |
| Рабочее давление WP (bar) | 315 |
| Резьба G | 3/4 |
| Серия | L |
| Материал | Сталь с антикоррозийным покрытием |
Преимущества и области применения
Этот штуцер изготовлен из высококачественной стали с антикоррозийным покрытием, что делает его идеальным для использования в агрессивных средах. Преимущества использования данного фитинга включают:
- Долговечность и устойчивость к коррозии, что обеспечивает длительный срок службы и сокращает затраты на обслуживание.
- Высокое рабочее давление до 315 бар, что подходит для самых сложных применений в гидравлических системах.
- Универсальность использования в различных отраслях, включая нефтегазовую промышленность, машиностроение и строительство.
Для клиентов, которым требуется нержавеющий вариант, доступен штуцер из нержавеющей стали AISI 316, который по запросу можно комплектовать гайкой из стали AISI 304, заменив первые две цифры артикула с 10... на 11... или 14... соответственно.
Надежность и доверие клиента
На протяжении многих лет наша продукция зарекомендовала себя как надежное решение для профессионалов. Штуцер FB DL18 BSP 3/4" обеспечивает стабильную и безопасную работу оборудования, снижая риск простоев и повышая производительность системы. Уверенность в продукте подтверждено отзывами наших довольных клиентов.
Приобретя наш штуцер, вы получите надежный компонент, который будет способствовать улучшению эффективности и сокращению эксплуатационных затрат в вашем производственном процессе. Не упустите возможность оптимизировать ваши процессы с помощью продукции от РусГидроПром.
`
