Характеристики
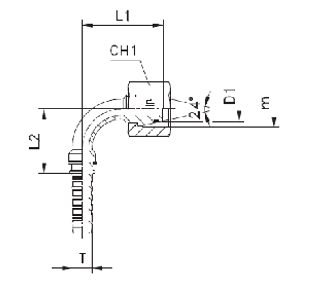
Надежное решение для промышленных условий — Фитинг DN 06 DKO-S (Г) 20x1.5 12 (90)
Фитинг DN 06 DKO-S (Г) 20x1.5 12 (90) предназначен для использования в сложных промышленных системах, обеспечивая надежность и долговечность. Этот фитинг разработан с учетом высоких требований к безопасности и эффективности, что делает его идеальным выбором для профессионалов в различных отраслях.
Основные характеристики
| Характеристика | Значение |
|---|---|
| Диаметр | DN 06 |
| Резьба | 20x1.5 |
| Угол | 90° |
| Материал | Нержавеющая сталь |
| Рабочее давление | до 350 бар |
| Температурный диапазон | от -40°C до +120°C |
Преимущества и области применения
Этот фитинг обладает рядом преимуществ, которые делают его незаменимым в профессиональной среде. Изготовленный из нержавеющей стали, он обеспечивает высокую устойчивость к коррозии, что удлиняет срок службы оборудования и снижает частоту обслуживания. Благодаря своей конструкции, фитинг гарантирует герметичное соединение, предотвращая утечки и минимизируя риск простоев.
Фитинг DN 06 DKO-S (Г) 20x1.5 12 (90) широко применяется в гидравлических системах, нефтегазовой промышленности, машиностроении и других отраслях, где требуется надежное соединение под высоким давлением. Он позволяет существенно снизить эксплуатационные затраты, обеспечивая стабильную и безопасную работу оборудования.
Надежность и доверие клиента
Наш фитинг обеспечивает стабильную и безопасную работу, снижая риск простоев и повышая производительность. Все компоненты проходят строгий контроль качества, что гарантирует их соответствие самым высоким стандартам. Выбирая этот продукт, вы можете быть уверены в его надежности и эффективности.
Приобретите Фитинг DN 06 DKO-S (Г) 20x1.5 12 (90) в интернет-магазине РусГидроПром и обеспечьте бесперебойную работу вашего оборудования. Доверяйте профессионалам и выбирайте качество!
