Характеристики
Надежный фитинг для промышленных систем — Фитинг DN 08 DKO-S (Г) 20x1.5 12 (90)
Фитинг DN 08 DKO-S (Г) 20x1.5 12 (90) — это высококачественное решение для профессионалов, работающих в различных отраслях промышленности. Этот фитинг обеспечивает надежное соединение в гидравлических системах, минимизируя риск утечек и обеспечивая стабильную работу оборудования даже в самых жестких условиях эксплуатации.
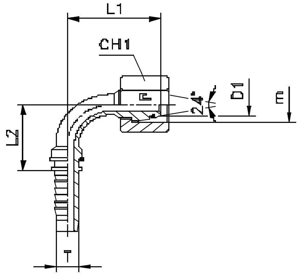
Основные характеристики
| Характеристика | Значение |
|---|---|
| Артикул | 801115 |
| Бренд | CAST |
| D1 | 12S |
| DASH | -5 |
| DN | 8 |
| ID (дюйм) | 5/16 |
| L1 | 35,5 мм |
| L2 | 27,5 мм |
| WP (bar) | 350 |
| Резьба | 20x1.5 |
Преимущества и области применения
Этот фитинг идеально подходит для использования в сложных условиях, таких как нефтегазовая отрасль, машиностроение и химическая промышленность. Он разработан для обеспечения максимальной герметичности соединений, что критично для предотвращения утечек в системах высокого давления. Благодаря прочной конструкции и использованию высококачественных материалов, этот фитинг удлиняет срок службы оборудования и снижает частоту обслуживания.
Материалы, используемые в производстве фитинга, обладают высокой устойчивостью к коррозии и механическим повреждениям, что делает его идеальным выбором для работы в агрессивных средах. Нержавеющий вариант фитинга дополнительно повышает его долговечность и надежность в экстремальных условиях.
Использование фитинга DN 08 DKO-S (Г) 20x1.5 12 (90) позволяет сократить эксплуатационные затраты за счет уменьшения простоев и повышения общей эффективности системы. Это надежное решение для профессионалов, стремящихся обеспечить бесперебойную работу своего оборудования.
Покупая фитинг в интернет-магазине РусГидроПром, вы получаете качественный продукт, который обеспечивает стабильную и безопасную работу вашего оборудования. Не упустите возможность улучшить производительность ваших систем с помощью этого высокоэффективного фитинга.
