Характеристики
Идеальное решение для промышленного использования — Фитинг DN 10 DKO-S
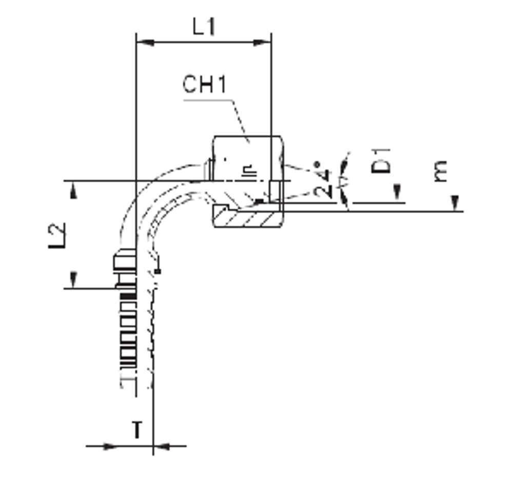
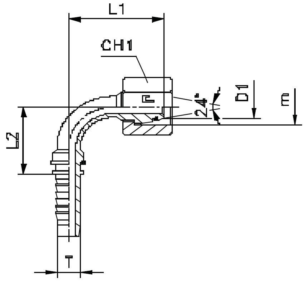
Фитинг DN 10 DKO-S (Г) 22x1.5 14 (90) идеально подходит для сложных промышленных систем, обеспечивая надежность и долговечность. Изготовленный из высококачественной нержавеющей стали, данный фитинг защищен от коррозии, что увеличивает срок его службы даже в суровых условиях эксплуатации.
Основные характеристики
| Характеристика | Значение |
|---|---|
| Резьба | 22x1.5 |
| Диаметр | DN 10 |
| Материал | Нержавеющая сталь |
| Температурный диапазон | от -25°C до +100°C |
| Угол | 90° |
Преимущества и области применения
Этот фитинг разработан для работы в системах с высоким рабочим давлением, что делает его идеальным выбором для нефте- и газопромышленных комплексов, химических и пищевых производств, а также в системах охлаждения. Благодаря устойчивости к коррозии, нержавеющая сталь гарантирует долговечность и уменьшает частоту необходимости замены или обслуживания, что напрямую способствует снижению эксплуатационных затрат.
Применение фитинга DN 10 DKO-S позволяет сократить время на монтаж и обслуживание систем, что увеличивает производительность и минимизирует простои. Его конструкция не только упрощает процесс установки, но и обеспечивает герметичность соединений, минимизируя риск утечек.
Надежность и доверие клиента
С использованием фитинга DN 10 DKO-S вы гарантированно получаете продукт, который выдерживает жесткие эксплуатационные условия и обеспечивает стабильную работу оборудования. Уверенность в качестве и долговечности наших изделий подтверждена успешными испытаниями и отзывами клиентов, укрепляя вашу производственную цепочку.
Не упустите возможность повысить эффективность своих производственных процессов с помощью качественных фитингов. Приобретайте DN 10 DKO-S (Г) 22x1.5 14 (90) в интернет-магазине РусГидроПром, чтобы обеспечить надежную и бесперебойную работу вашего оборудования.
