Надежное решение для промышленных условий — Штуцер FB DL28 BSP 3/4" (корпус)
Штуцер FB DL28 BSP 3/4" предназначен для использования в различных промышленных системах, где важно обеспечить надежность и стабильность соединений. Прочный и устойчивый, он идеально подходит для высоконагруженных систем, демонстрируя отличную производительность даже в самых сложных условиях эксплуатации.
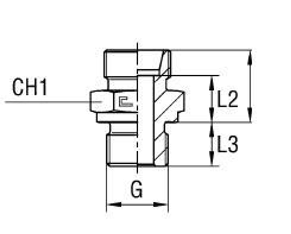
Основные характеристики
| Характеристика | Значение | 
|---|---|
| Артикул | 100351.1 | 
| Бренд | CAST | 
| CH1 | 41 | 
| CH2 | 41 | 
| L1 (мм) | 25 | 
| L2 (мм) | 17,5 | 
| L3 | 16 | 
| L4 | 34 | 
| Ø трубы D1 | 28 | 
| WP (бар) | 160 | 
| Резьба G | 3/4 | 
| Серия | L | 
Преимущества и области применения
Этот штуцер предлагает высокую устойчивость к коррозии и долговечность благодаря возможной замене стандартной стали на нержавеющую сталь AISI 316. Это делает его особенно полезным для агрессивных сред и высоких температур. В случае потребности в нержавеющей стали AISI 316 с гайкой из стали AISI 304, изменения в артикулах позволят адаптировать фитинг под специфические условия эксплуатации.
Штуцер FB DL28 BSP 3/4" находит применение в химической промышленности, нефтегазовой отрасли, водоочистных системах и прочих сферах, требующих надежных решений для трубопроводных соединений.
Благодаря гибкости в материалах, данный продукт способен значительно сократить эксплуатационные затраты, удлиняя срок службы оборудования и снижая частоту обслуживания.
Надежность и доверие клиента
Каждая деталь продукции проходит строгий контроль качества, что обеспечивает стабильную и безопасную работу и минимизирует риск простоев. Штуцер способствует увеличению общей производительности систем, в которые он интегрирован.
Убедитесь в высоком качестве продукции и выберите штуцер FB DL28 BSP 3/4" для вашего бизнеса. Закажите его в интернет-магазине РусГидроПром, чтобы гарантировать бесперебойную работу вашего оборудования и систем на долгие годы.
` 
             
                       
                       
                       
                       
             
                         
                         
                         
                         
                         
                         
                         
                         
                         
                         
                         
                         
                         
                         
                         
                         
                         
                         
                         
                        